九号公司

相关图片

九号公司上半年净利润256亿元同比增长063

全新领域布局期待值打满九号公司再发年度重磅新品

运输贮藏商标申请人: 九 号 仓河北供应链管理有限公司办理/代理机构

商标文字九号公馆 9,商标申请人长沙玉廷生物科技有限公司的商标详情

销售商标申请人:孙磊办理/代理机构:郑州企力知识产权代理有限公司

随机推荐

骑士精神吉他谱骑士精神简谱蔡依林

56岁王杰晒自拍,憔悴不堪,满面沧桑胡子都白了

黑白帅气头像二次元男生

qq男生头像丧系高清被爱伤过的丧系男生头像图片

关于十代雅阁夜间后尾灯的问题

一组·雾霾蓝·愿你所希望的一切都实现 67 - 堆糖,美图壁纸兴趣

回顾辛月不惧绯闻嫁给于震婚后连生三胎如今婚姻状况如何

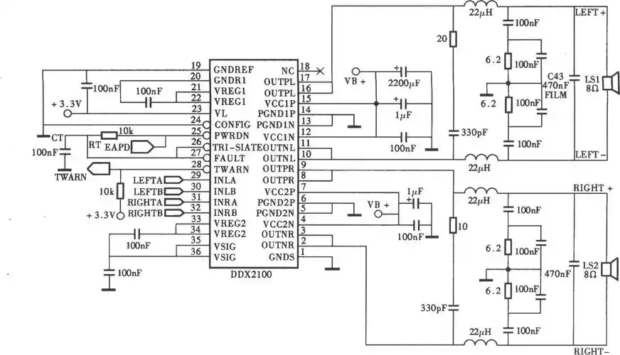
ddx-2100型数字功放电路