污水泵控制电气原理图

相关图片

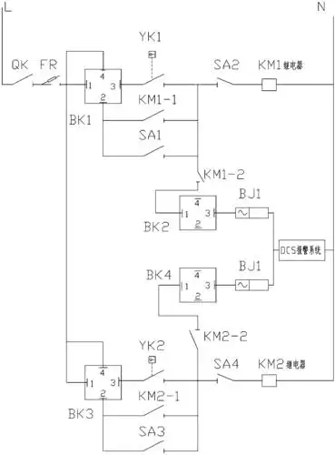
污水泵两泵控制线路

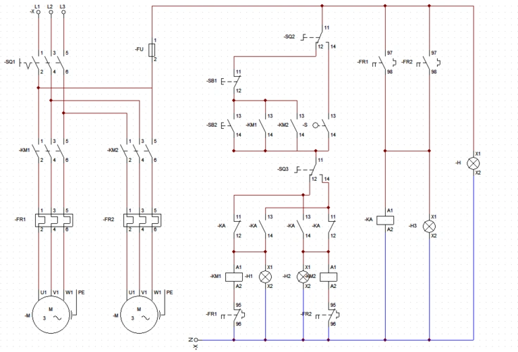
排污泵一备一用电路图

潜水式自动排污泵,家用

排污泵控制原理

自来水,污水处理配电系统解决方案

随机推荐

王俊凯品牌代言帅气图片桌面壁纸

壁纸iphonex跑马灯边框纯黑壁纸

【angelababy明星同款】女款红白条九分袖t恤_精品服装_99优生活,有机

脚趾9799巨显白 #脚美甲[话题]# #亮片美甲[话题]# #夏季美甲

平角美国直邮champion冠军新款男士舒适运动内裤平角裤

8月8日至9月12日期间,用户登录马蜂窝旅游app,分享北京的旅行体验和

李飞在时代峰峻18楼里养了一群小疯猴子_时代少年团_tnt时代少年团

刚好遇见你 可爱谐音梗姓氏头像 #原创作品 #头像制作 #姓 - 抖音