大佬们,防雷接地的这个图例是什么意思?,又dj又sj的

相关图片

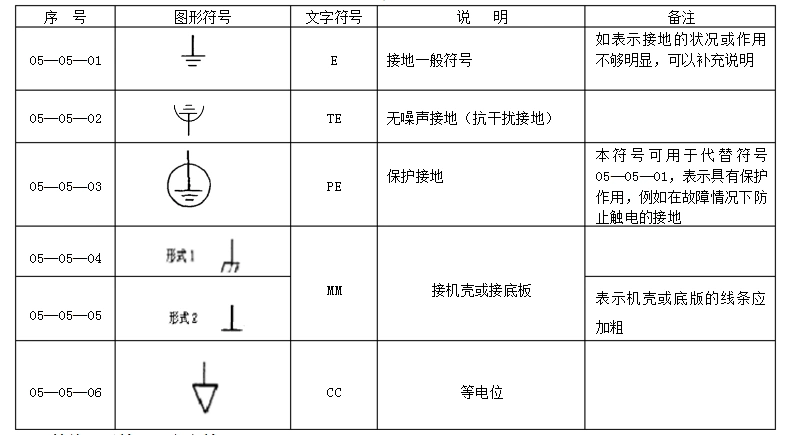
全部接地符号图

求问各位老师这几个防雷图例分别代表什么意思

防雷接地图纸怎么看?_手机搜狐网

防雷接地系统

防雷接地方案

随机推荐

原创落毛的凤凰不如鸡消失四个月后高调回归杨颖还是被低估了

原创小个子女生看过来只要学会王子文这4个穿搭技巧视觉增高10cm

大自然之唯美珍珠

杨旭文曝光最新写真眼神坚毅荷尔蒙爆棚

狐狸的夏天/季肖冰/朴九洛

67市第五次党代会召开代表资格审查会议_运城

可爱的小鸟壁纸

《我的好妈妈》[综合曲谱](曲 黄震)