电工必备:22个经典电路图,老电工:都看懂就可以去考高级电工了_电机_

相关图片

继电器常用自锁电路图_word文档在线阅读与下载_无忧文档

功率放大器电路图分享_晶体管_输出_电感

直流电动机正反转-保护电路图-电子产品世界

电源电路原理图_超声波电源电路原理图-正华文库

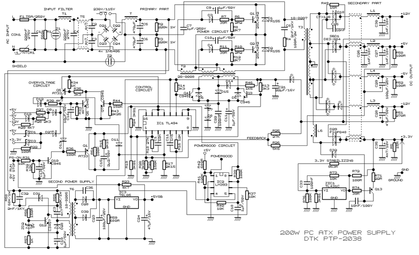
反激开关电源的每一个元件-初级侧部分(上)ppt_word文档在线阅读与下

随机推荐

王源头像

身高164男子拥有174漂亮女友,反向差10cm回头率超高,2人超甜

huawei mate40pro 黑色 8 256g 华为mate 40 pro 黑色 保修到9月

十二星座可爱简笔画

华晨宇个人资料介绍(带你了解"大男孩"华晨宇的放荡不羁) 第42张

街舞breaking 比赛瞬间 高难度技巧动作

壁纸帅气男生壁纸

黑暗系男生头像