女人醉酒后的下场:太恐怖了!真是无奇不有

相关图片

原创重庆某高校多名女生醉酒躺在地上形象全无网友指责其伤风败俗

两位妙龄女子深夜醉酒,穿着清凉意识模糊,"蛤蟆趴"姿势太扎眼

女生深夜醉酒侧躺路边,包扔一旁全程一言不发,穿着过于危险

看了女生醉酒的骇人照片,您还敢醉酒吗?

女人是感性的,对待感情天生就会比男人更加投入,可也正是这种对感情的

随机推荐

肖战主动吻了吻王一博的唇,他告诉他他今天很开心

刘涛晒青涩军装照曾当兵3年 15岁进入文工团

丁程鑫一起跳舞吧

萌,现在11岁的贝儿美到认不出,近日陆毅晒出了一组女儿的美照,照片中

许绍洋台湾殿堂级偶像剧《薰衣草》,多年过去依旧叫人记忆犹新.

大型高压粽子蒸煮锅 电加热酱牛肉卤煮锅 商用立式蒸汽高温蒸煮锅

摄影合成夏天海浪背景

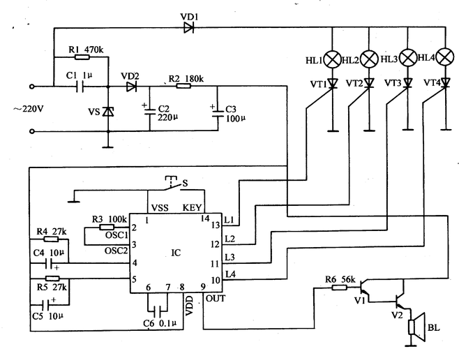
彩灯控制器电路图大全 - 照明灯电路图 - 电子发烧友网