三相七线潜水泵,七根线一样粗细怎么区分,颜色不同,红1蓝2黑3一地线!

相关图片

三相自动污水泵接线实物图

没有名牌,水泵电机怎么接啊?应该是三相异步电机,着急

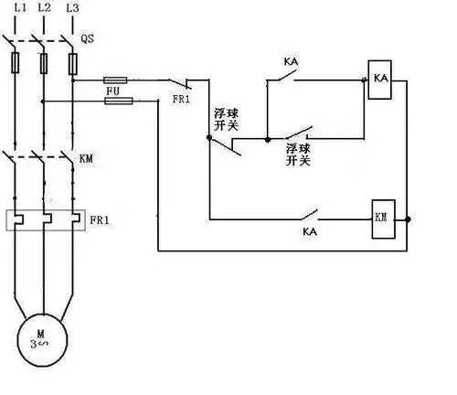
三相电水泵,接触器,继电器怎么接连在起能自动跳闸

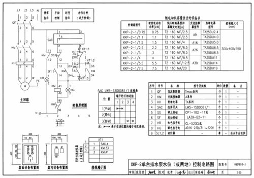
工地上自动控制水泵接线图如何?

三箱电动抽水泵接线图

随机推荐

肖战的个人简介 我又更新了一下有不全的大家可以补充奥(暑假会更新)

两人如此相像 哈小宝与宋小宝相遇 合影乐翻了(图)

tvb版李莫愁--雪梨 饰

敬酒服新娘酒红2020新款款现代显瘦结婚现代晚礼服女婚礼长款

女生超短发烫发分享|个性凌乱纹理短发女生

王鸥怀孕生子后再登杂志封面身姿曼妙宛如少女超高颜值惹人爱

妻子的秘密(54集全)_刘恺威_主演的家庭生活电视剧_高清完整版视频

40岁左右的女性,选择齐脖层次卷发,成熟有魅力|发型|脸型|挑染|层次感