【壁纸】电影言叶之庭1080p高清横屏壁纸 - acfun弹幕视频网 - 认真你

相关图片

欢迎投稿 查看原图 上一张 下一张 简介 冬季雪景高清桌面壁纸

bing高清1080p壁纸国家广场内盛开的樱花美国华盛顿

bing高清1080p壁纸国家广场内盛开的樱花美国华盛顿

高清电脑壁纸:更新第3辑 - 综合讨论区 - 无忧启动论坛 - powered

以前有搜到过但后来电脑换了,忘了保存,现在找到的这张太糊了

随机推荐

ideas荣膺第十九届中国文旅星光奖年度酒店收益管理服务商

还是我来给您回答吧:泵有图形符号(参见gb6988.4-86 图a6,第一张)

抖音上很火动态代码美女图不懂代码也能做出来

vlog中看性格:李斯丹妮中二可爱,金晨慵懒随性,她浪漫又暖心

lol测试服更新,武器大师原画全部重做,帅气提升了好几个档次_腾讯新闻

谢娜自曝生二胎后患上产后抑郁通过录节目被治愈

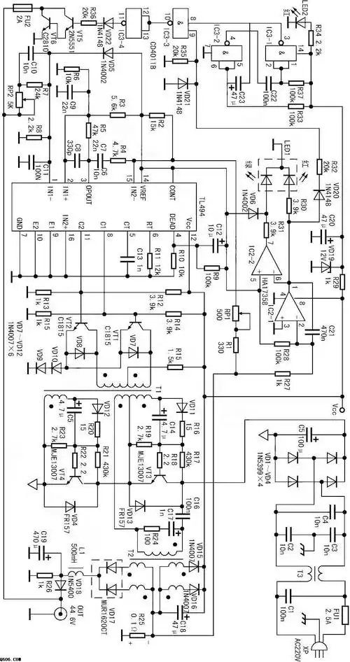
tl494制作的一款电动车充电器电路图

我十四岁初潮有图 - 搜狗图片搜索