曝鹿晗关晓彤近期在吵架,两人已4个月未同框,网友担忧感情|乐器_网易

相关图片

关晓彤,快管管你男友:34岁做直播的鹿晗,已彻底撒欢儿

鹿晗关晓彤被曝最近在吵架,已3个月未同镜出场_感情_鹿晗和_明星

关晓彤与鹿晗逆流而上的爱情传奇娱乐圈的璀璨清流

事实证明,和鹿晗挺过七年的关晓彤,已经走上了另一条道路!

关晓彤与鹿晗:娱乐圈中的利益与情感博弈 近期,关晓彤与鹿晗的婚姻

随机推荐

apple苹果7电池原装正品iphone7plus6px88pxsmiphone8原装电池送专用

李湘身材丰满又高调穿亮片连衣裙配黑长直发亮相超有贵妇气质

匍匐前进可爱小仓鼠表情包

微信头像林允

影视剑仙剑奇侠传4羲和剑昆仑双剑全金属武器云天河cos动漫未开刃

时代少年团应援棒tnt马嘉祺丁程鑫宋亚轩刘耀文严浩官方周边毕业礼物

又霸气又高冷的背景图片(壁纸 霸气 超拽 黑色系)

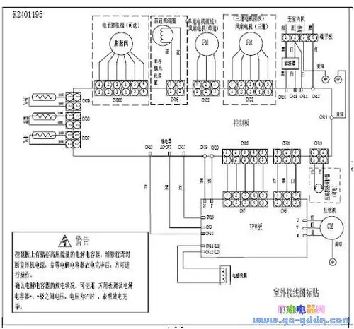
室外机接线图