起重设备及强夯机自动脱钩器

相关图片

快速脱缆钩自动脱缆钩供应商码头设备登船梯船用式登船梯

强夯自动脱钩器图

一种蛇形机器人自动脱钩装置

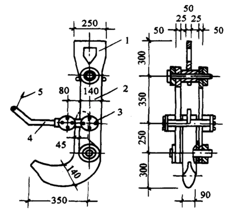
一种强夯机自动挂脱钩装置的制作方法

图4为自动 脱钩装置液压原理图.

随机推荐

有一种"意外"叫朱一龙童年照,第一眼纯天然,第二眼帅到心动!

500_281gif 动态图 动图

法院判中介还郑爽650万,从顶流小花到人人喊打的,她哪里错了

海边黄昏夕阳风光风景桌面壁纸(8)-qq壁纸网

jzt-q65(天然气) 嵌入式燃气灶 玻璃面板 双炉 一级能效

马图腾

超拽微信头像老虎霸气图片

南京路艺生态景观工程有限公司