单相电动机的调速电路

相关图片

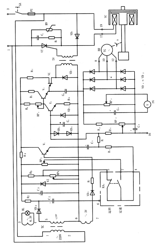
电磁调速异步电动机又称滑差电机,它是一种利用直流电磁滑差恒转矩

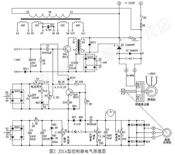
48v电动车调速器原理图

印刷设备电磁调速异步电动机滑差电机

可控硅晶闸管的应用滑差电机

一种滑差电机自动调速控制装置制造方法及图纸,滑差电机调速器接线图

随机推荐

鹿晗和关晓彤生宝宝怀孕关晓彤和妈妈同回鹿晗家

20套简约多彩时间轴里程碑ppt图表

看完高度撞脸明星的夸张肖像漫画,你会发现原来他们区别这么大!

适用摩托起车架单摇臂起车架驻车架杜卡迪揽途1200展示架维修保养

李敏镐韩国男艺人手机壁纸-明星-壁纸下载-美桌网

最新女宝宝长发编发图片 可爱漂亮女宝宝编发轻松扎出来_儿童发型

海报剧照剧情:该片基于罗尔德·达尔(《查理和巧克力工厂》原著作者)

精致的动漫人物线稿图高清,初学者最爱的动漫人物临摹素材