干货| 36种常见照明电路图

相关图片

几种常见的电机控制方法

电路图mp3电路图

常用家电电路图基本图

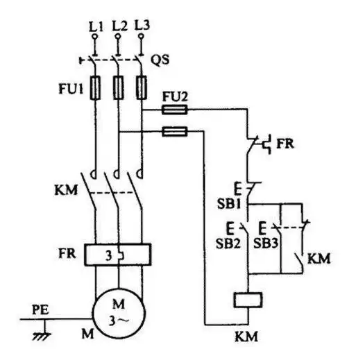
多点异地控制电动机电路_电工基础知识_电工技术-电工最常见电路

电工实操考核中最经典的7张电路图全看懂的给你点个赞

随机推荐

何润东晒与老婆出游照手臂肌肉好抢镜结婚6年无子依旧甜蜜

【中华美人志·香港】周海媚.

成龙之后,吴京就是大哥!

tfboys商演多压力大,王俊凯满脸冒痘,千玺王源让人心疼_易烊_低调

彭于晏藏蓝色西装白衬衫 帅气撩人

活动作品history4近距离爱上你藤沐仁萧立呈藤藤酒醉告白终于心心相印

动漫人物图片动漫组合多人人物多人图片动漫动漫多人壁纸多人漫画图片

今年冬天就烫弹簧烫越烫越时尚弹弹弹弹弹不停