《家有儿女》官方下场!发视频内涵高亚麟出轨,杨紫张一山受波及

相关图片

家有儿女 第一部

家有儿女1:妈妈要参军

家有儿女 Ⅲ 7(电视剧第31-35集)(赠送明星海报)

家有儿女大结局终于来了_剧照_少儿_投拍

时隔17年之久,《家有儿女》终于拍续集了.

随机推荐

最近一档综艺节目《请吃饭的姐姐》中,朱茵也就是被我们所熟知的紫霞

杨洋被爆头像用乔欣女友视角照,摄影师还原"5年前的土耳其"

丸子头 儿童编发 夏日清凉发型_发型_儿童_宝贝

最潮最酷男士短发 打造型男魅力高颜值_时尚男发 - 美发站

陈赫前妻离婚10年现身报复现场这招简直比教科书还狠

但是看到阿仁就觉得很心疼 附带一张青年版陈永仁,因为他演了青年鞍

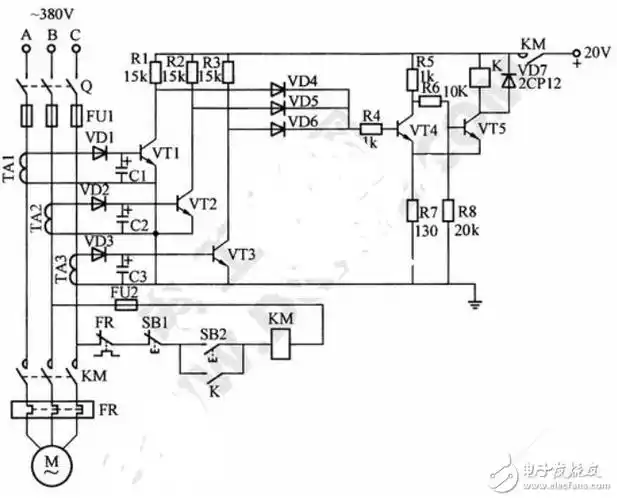
缺相保护电路图

女性住院白大衣的女性, 住院病人照片