手机充电器电路图

相关图片

一颗小型5v充电器,里面电路相单简单,搞懂原理图自已可以制作

5v充电器电路图

一文把30张电动车充电器电路图工作原理了解的明明白白

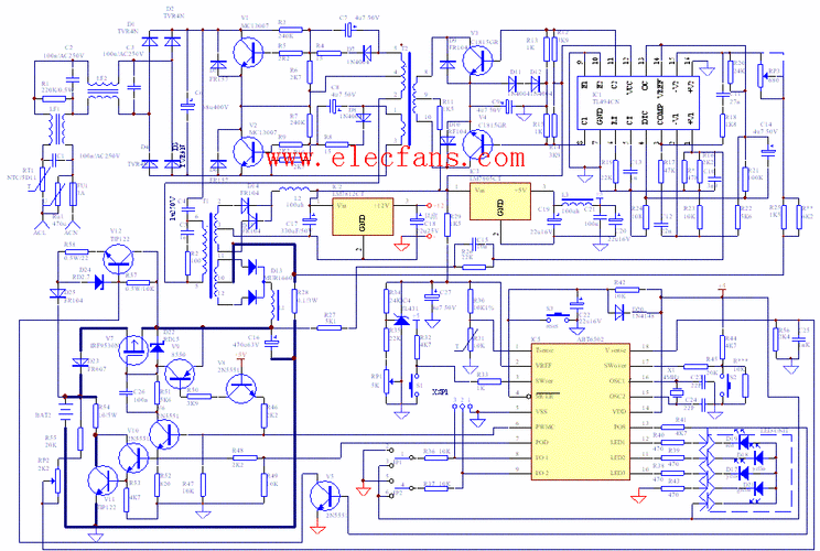
电动车充电器电路图

利用这个ic装制的充电器电路如下(图二)ic内含一个高精度的615mv基准

随机推荐

电影激战中张家辉的肌肉仅仅练了9个月时间,普通人可以做到吗?_网易订

红色代表玫瑰, 而你是爱意本身. #任嘉伦 #壁纸 #神仙颜 - 抖音

杨洋|杨幂|迪丽热巴|实力派演员_网易订阅

三档综艺两部剧证明一个事实,女人30岁比20岁吃香,单身的更吃香

版面的大小称为开本,开本以全张纸为计算单位,每全张纸裁切和折叠

出包王女人物大全

时而清纯时而魅惑的苏媚娘|妲己|霍思燕|天师钟馗|苏美娘|心魔_网易