两张配套的黑客壁纸

相关图片

匿名者黑客壁纸

什么样的黑客能用python盗qq号通俗易懂

俄黑客"宣战"西方10国,美18州瘫痪,中国红客笑而不语_俄罗斯_组织_老

腹黑从职业学院里走出来的白帽黑客

程序员教你制作黑客帝国 炫酷代码雨

随机推荐

她与甄子丹分手后发现有喜,孩子取名很有意思,网友表示有怨气啊_前妻

美菱249l三门三开门风冷一级能效节能家用小型电冰箱 泰坦灰

娱乐圈这些拥有绝品身材的女明星,杨幂时尚,张雨绮时尚,太绝了

星空下的孤独背影1280x1024分辨率查看

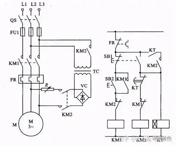
34个动控制原理图,老电工看了都说好 - 知乎

经典黑白色系158175情侣穿搭

天文3我们的太阳系人类居住区宇宙少有的单星系统

创业时代:angelababy黄轩吻戏长达2分钟!观众:黄晓明受得了吗