蒋勤勤年轻的时候是真的好看,现在眉眼感觉凶了很多.

相关图片

蒋勤勤年轻的时候长得很漂亮,她马上就明白为什么自己对两个儿子那么

年轻时的蒋勤勤清纯脱俗这真的可以说是颜值天花板了

蒋勤勤"人间水灵"时尚湿身照,女神年轻时有多美?

年轻时的蒋勤勤典雅端庄,充满东方美韵_新浪新闻

绝美壁纸年轻时的蒋勤勤有多美

随机推荐

潮玩,ip形象,卡通,酷酷的

活动主题字体设计

歪头杀#柯尔鸭 #萌宠日常记录 #宠物鸭 #萌萌的小可爱 - 抖音

天地男儿罗惠芳二婚丈夫多次出轨叶晓枫曾和宣萱决裂

justin 黄明昊 - 堆糖,美图壁纸兴趣社区

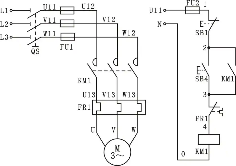
实训三 三相异步电动机自锁控制电路

死寂电影完整版_高清在线观看 - 钉瓣影视

金晨才高调坚称我不结婚遭直击拜访胡夏老家见父母