4k高清壁纸overlord雅儿贝德可下载1期

相关图片

安卓(android)汽车 超跑高清手机壁纸免费下载,安心市场-用安卓,要

壁纸 布加迪蓝凯龙豪华车,北美,海岸 3840x2160 uhd 4k 高清壁纸

超高清4k电脑桌面主题壁纸图片高清大图预览2560x1600_风景壁纸下载

世界最美自然风景超高清4k电脑桌面壁纸图片-风景壁纸-手机壁纸下载

下载壁纸 3840x2160 uhd 4k极清 码头,芦苇,池塘,黄昏 桌面背景

随机推荐

炫酷动漫火影忍者高清桌面壁纸分享

夏目友人帐拼接壁纸_夏目友人帐三宫格壁纸高清-上犹电脑信息网

壁纸头像 可爱占领的微信毛绒玩偶头像 多人团体宿舍小甜饼头像

56岁张敏近照曝光,暴瘦至70斤引担忧_生活_女性_变化

文字壁纸锁屏

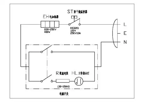
电热锅典型故障维修一例

隋然,宁馨,王露露是什么电视剧

超帅蔡徐坤最新壁纸_情人节的帅气偶像_明星图片_精品库