diy捧花

相关图片

男头 满天星 身体部位

〈陈情〉持花男生头像 我携满天星赠你,却任不及你半分眼中眸光.

〈陈情〉持花男生头像 我携满天星赠你,却任不及你半分眼中眸光.

望喜~78_男生头像_我要个性网

男生手持花头像比较文艺的半身手捧花男头像高清图片

随机推荐

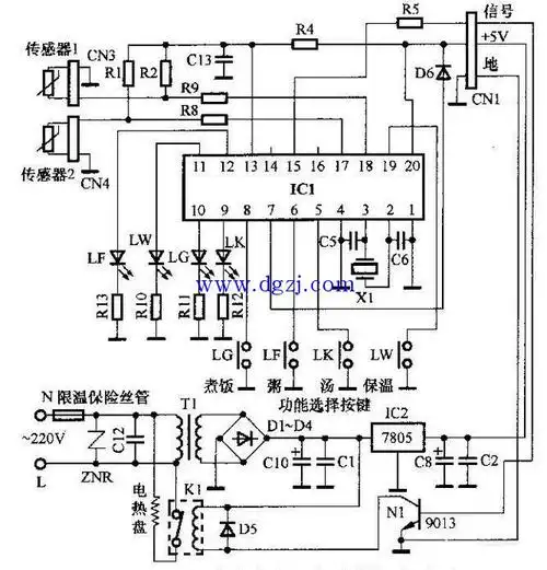
智能电饭煲电路原理图及故障检修方法

许仙扮演者叶童,一代人的青春回忆,近照素颜显老时尚犹存_气质_衣服

王传君复古野性大片##王传君野性叔感##秋日有fun

超级污的表情包纯文字_微信头像图片大全

袁冰妍合作的6位男演员,成毅只能排在第3位,最后1位神仙绝配

无极膏复方倍氯米松樟脑乳膏10g荨麻疹瘙痒消炎止痒皮炎湿疹软膏

渴望城市-小莲求了老潘!

格罗姆·地狱咆哮_魔豆宋其金-站酷zcool