信息中心 电动车电瓶的创新接法,相当好用 电动车电瓶线接法串联五

相关图片

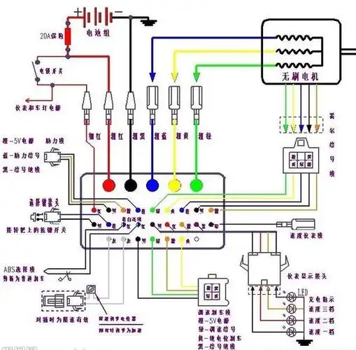
电动车电瓶怎么接线正负极那个接电机?

千万别再将,电池与纸箱,一起安装到电动车上了

电动车电池怎么串联

同口50a均衡三元锂电池17串21串铁锂20串24串电动车电池

电动车电瓶接线有火花(为什么接电动车电瓶线会打火花)

随机推荐

手绘图周杰伦jaychou音乐治愈一代人的青春这大概就是青春

活力清新tfboys组合壁纸这些少年时光正好

朱茵年轻时也太美了,怪不得周星驰都感叹"简直就是仙女"__财经头条

apple 原装apple苹果14手机20w充电器iphone13pro max官方pd插头12mi

【恶作剧之吻】林依晨就是袁湘琴本琴吧!毫无表演痕迹,太自然了!

一组黑白女头像伤感高冷12张不要犹豫了换上了

陈粒

创造营2020成团之夜硬糖少女303一起光芒万丈