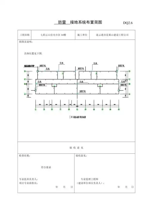
一套非常全面的弱电工程防雷接地安装大样图

相关图片

防雷桩基础接地极,应该怎么做,相信 - 抖音

(3)建筑电气防雷接地图纸的识图方法(2)建筑电气防雷接地装置的概念(1

一套非常全面的弱电工程防雷接地安装大样图 - 知乎

污水厂综合楼电气图纸

某机场航站楼防雷接地平面图纸

随机推荐

美的电压力锅配件mycs5028pcs6028p锅盖5升6升高压锅盖 升高压锅盖

每时每刻##张艺兴时光记事簿#小河豚上线啦,嘟嘟嘴的宝宝好可爱好可爱

偏分无 刘海流云髻发型

有种撩人叫"男星秀腹肌",华晨宇王一博还好,看到周震南:真有你的!

猫壁纸【604】猫壁纸图片_桌面壁纸图片_壁纸下载-元气壁纸

湖畔天城,钟园路669号-苏州湖畔天城二手房,租房,房价-苏州安居客

宁静的地位有多高?迟到的郑希怡郁可唯吓得连忙道歉!

凉鞋超高高跟坡跟11cm厚底防水黑色水钻欧美时装凉鞋