肖战李沁《梦中的那片海》滑冰路透合影,气氛十足!

相关图片

肖战李沁同框互动,[嘻嘻][嘻嘻][嘻嘻]李沁的脸都红了.

原创肖战方辟谣和李沁恋情传闻但当年肖战曾为她甘愿做舔狗

梦中的那片海追到24集我坚信李沁这次的镶边女主接对了

现在观众可爱磕cp猜测明星的感情问题了,肖战李沁自从2017年合作

脸上写着"想红",偏立"人淡如菊"的人设,32岁的李沁醒醒吧_肖战_演技

随机推荐

18岁的郑爽多清纯?导演:当年3个剧组要找她,没楚雨荨照样能火

情侣头像丨秀恩爱必备的小众情侣头像

59岁巨星李连杰近照曝光!面容大变认不出,头发浓密疑似假发

吴磊all black休闲穿搭#吴磊最新写真96 all black休闲穿搭好帅

女生真人头像 | 我躲在断墙后,偷看两个少年徒手摘星

米娜桑谁有这张夏目友人帐官方图? 感觉夏目好美啊结果没找到这图「捂

世界上最珍贵的木材品种—:檀香紫檀

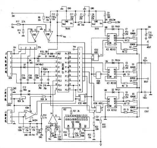
直流无刷控制器电路图 - 东莞东昊电机有限公司