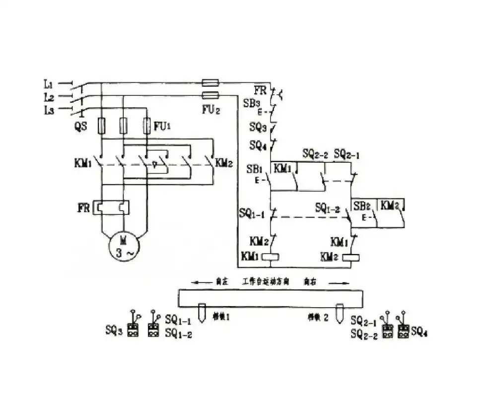
三相异步电动机手动正反转控制电路

相关图片

三相异步电机自锁正转控制电路图 - 电子方案资讯_我爱方案网

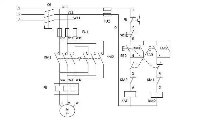
三相异步电动机接触器按钮双重联锁正反转控制电路

三相异步电动机正反转控制电路图-电子发烧友网

文档下载 所有分类 工程科技 电子/电路 > 三相异步电动机调速控制

电动机控制电路接线图(三相异步电动机)-滕韵技术生活网

随机推荐

网友本来不信,看到照片后:演香妃都行_李明启_角色_妈妈

我一直相信 等你出现的时候 我就知道是你

这匹"狼"虽然长得奇丑,但是绝不吃肉

30岁低调成熟大气的男人_微信头像图片大全

冷艳高傲美人手机壁纸

他们之间有什么故事呢 林申老婆杨雨辰个人资料照片

算命批八字 算命批八字一生命运

星球,流星雨,星系,星空 4k