立体墙贴创意办公室工作室团队励志标语文化墙背景墙墙贴 红黑色(理想

相关图片

理想背景

背景壁纸|ipad壁纸|浪漫的是晚风.01理想的风终于吹进现 - 抖音

理想李白梅花励志名言壁画海报背景素材

理想配图图片

人生三大理想和你成家又立业图片背景图

随机推荐

不少人对于钱泳辰这个名字很陌生,有没有认出来他就是在《花千骨》中

高层次超短发

蔡徐坤帅气图片蔡徐坤西装写真

满月简谱

带机木工小型diy手提坦克打磨机木地板翻新抛光机砂带机

bilbili哔哩哔哩logo

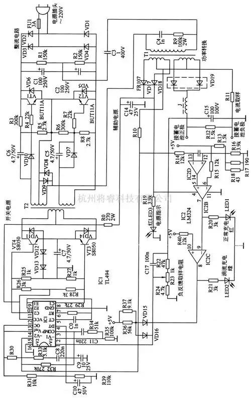
充电电路中的电动自行车佳腾充电器电路图

唐代诗人"诗佛"王维简介及一年级古诗《杂诗》