山河令双人壁纸用起来

相关图片

请问大家有没有山河令的高清壁纸可以分享一下吗

请问大家有没有山河令的高清壁纸可以分享一下吗

分享一波古早双人美图双向奔赴781597永远的俊哲温周#山河令

山河令双人壁纸有哪些山河令双人高清图片

《山河令》龚俊和张哲瀚双人壁纸,请留下你们手机里好看的壁纸

随机推荐

tfboys照片魔咒,三人分开照相时超级耍帅,可一合照就回到童年了

电脑壁纸 | 好看的4k超清桌面锁屏_礼物_图文_整理

67#手绘头像 #可爱头像 #卡通头像 #写实 #画画 #戴眼镜的头像

蔡徐坤新年快乐 祝你新的一年开开心心 平平安安 工作顺利 身体健康

<格度摄影工作室>最美证件照欢迎预拍.

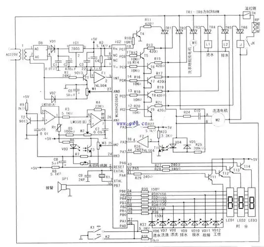
小天鹅全自动洗衣机电路图讲解

周雨彤在《巴啦啦小魔仙》中饰演谁?

病娇禁欲系动漫男生头像