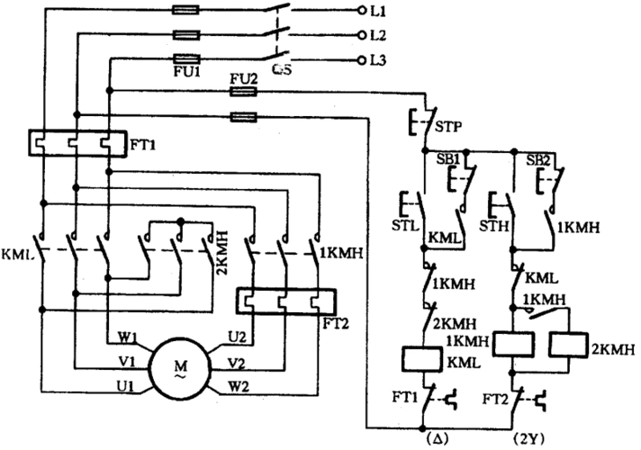
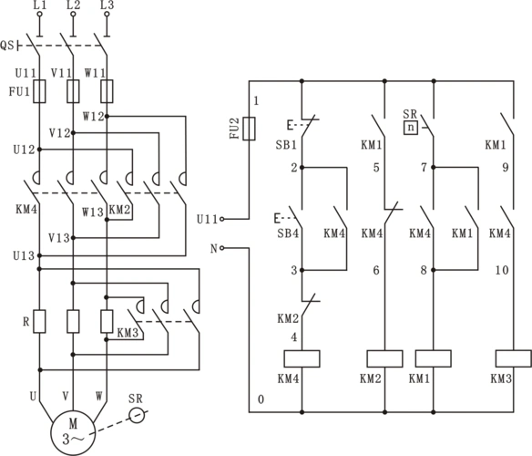
三相异步电动机定子串电阻降压启动自动控制线路实验说明

相关图片

三相异步电动机单向连续运行控制电路图

三相电机自动往返行程控制线路电路图解 有些生产机械,如万能铣床

三相电路

三相20kw三电平光伏并网逆变器设计方案三相主电路驱动ad格式pcb

关于三相交流电一些问题

随机推荐

小编最开始认识黄渤是从电影《疯狂的石头》里开始的,这部电影剧情也

纠结又无奈的心情说说 如何应对生活中的"纠结"心理图片

孤独的等待._一号棉花(fczcecf303)股吧_东方财富网股吧

杨颖抱儿子上街,小海绵一身大牌比妈妈还潮,母子二人被赞像姐弟_baby

一,宿迁学院宿舍条件

保罗女包轻奢牌品真皮2妈妈包20大2新款简约气中年女士包包手提包

第二磨牙残根橡皮障下rct现代根管治疗培训后的改进

马嘉祺经典励志语录