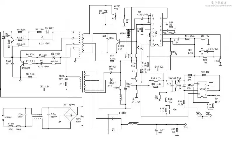
电动车充电器电路图

相关图片

一文把30张电动车充电器电路图工作原理了解的明明白白

收集电动车充电器电路图30张,以备不时之需

收集电动车充电器电路图30张,以备不时之需

电动车充电器电路图集

电动车 充电器电路图

随机推荐

易烊千玺谈女朋友采访 易烊千玺的青梅竹马阿深是谁现在还联系吗

原创男士留"背头"发型太油腻?发型师建议剪这4款,清爽干净帅气

认识高压柜柜门符号

有没有宋亚轩学习时的照片,想打印出来激励自己? - 知乎

(八)如为药膏时,则病人眼睛往上看,将眼药膏一公分点入眼睑窝,病人

"桃花三月三"剧组赴庙前关雎河畔mv拍摄现场,烈日似火,但小朋友战酷暑

张逸杰妥妥#浅溪cp的steve#为有暗香来

桂林医学院代表队荣获第十届中国大学生医学技术技能大赛护理学专业赛