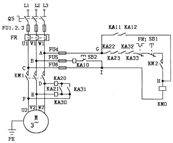
断相与相序保护继电器的接线方法图解

相关图片

动机缺相保护器电路_接线图分享

安装了电机综合保护器的电机有过载缺相保护吗_电机保护器,电动机保护

本视频主要介绍缺相保护电路图.

电机保护器一般是由空开,温升继电器,缺相断路器等组成.

一款实用的电机缺相保护电路

随机推荐

毛晓彤《三十而已》又被吐槽戴美瞳,她的澄清太让人羡慕了

564_1013竖版 竖屏gif 动态图 动图

美的midea赤炎臻香多段ih智能电饭煲家用4l钛金鼎釜九曲焖香wif智控蒸

别墅售楼处发布:五个院子新盘官方网站认购中|户型|独栋|样板间|实景

7月4日木里图 - 美篇

幼儿园 #手势影子 #手影

一个人看海的背影女生图片_唯美意境图片_窝窝qq网

街拍刘雯穿牛角扣大衣搭皮质长裤休闲惬意学院风满满