我对老式电饭煲原理及内部实物接线图的一些理解以后敢拆电饭煲了

相关图片

求一个普通家用电饭煲电路图

浩特牌自动电饭锅实绘电路与原理简析

美的电饭煲电路板ebfch48a7还找到类似电路图了

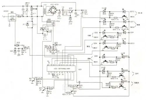
三洋电饭煲维修三洋电饭锅电路图及原理

请问各位师傅们 这个电饭锅的电路中 保温指示灯是怎么够成回路的

随机推荐

宋官窑背后的神秘组织邵局

中国内地影视男演员雷佳音

热销天能锂电池48v_福州市天能电动车电池60v72v电摩铅酸电瓶天能电动

情侣图片

反间谍的主管单位是,我国的反间谍工作主管机关是(为

深海少女~插画图片壁纸

正版肌肤护理美容海报2正版育婴店婴儿宝宝幼儿简约宣传册折页翻页h5

01.14〕 | 小说推荐