苏旬/『限定甜妹 遮脸背影 头像_女生头像_我要个性网

相关图片

『限定甜妹 遮脸背影 头像』ing_女生头像_我要个性网

女生头像_我要个性网

女生头像真人背影仙气

『限定甜妹 遮脸背影 头像』ing_女生头像_我要个性网

社会女头背影系列最新版的 - 女生头像 - 潮人个性网

随机推荐

肝不好的人眼睛长这样看看你的眼睛是不是这样的

高冷气质女神二次元动漫壁纸,你喜欢吗?#漫画女孩 #二次元少 - 抖音

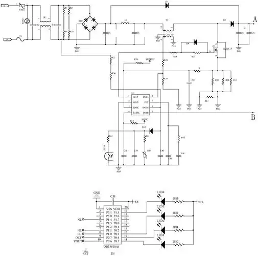
锂电池充电器电路

exo,朴灿烈,朴灿烈壁纸,朴灿烈头像,灿妮么么哒,朴灿烈我能想到最浪漫

图数字显示式光电计数电路之二

难怪胡歌能大红大紫

kf-1080-2021新年壁纸-醒狮招财猫.jpg

蓝宇最爱你的人是我你怎么舍得我难过