线稿的线条练习可以分成两类,一类是直线,一类是曲线:建筑等人造物品

相关图片

直线构成的简笔画 简笔画图片大全-普车都

挑战100个简笔画第四十四天.今天来画一个黑白线条小天鹅,很 - 抖音

简笔画简单直线 简笔画图片大全-普车都

用直线画的简笔画 简笔画图片大全-普车都

暗黑明星同款直线纹身贴防水男女仿真极简线条黑原创手臂脚踝

随机推荐

女神佟丽娅暴击美颜#转发接龙开新年

周杰伦头像高清 周杰伦最新头像图片 - 高清头像 - 潮人个性网

神话三姐妹专楼丨张萌白冰金莎姐十年前的电视剧回忆

幸运四叶草

《冰菓》情头 04 不进来看就可惜了哦91 又是《冰菓》情头 最近着了

飞机头发型剪法,飞机头短发怎么剪

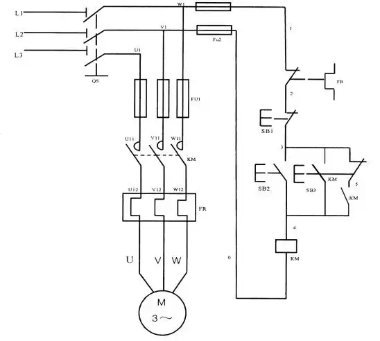
异步电动机单相点动启动控制电路实验