金晨这腿,太有味道了

相关图片

的双腿轮廓让金晨的气质瞬间发生了很大地改变,让她散发着一种青春

金晨 美腿玉足合集

街拍金晨白tee牛仔短裤帆布鞋简单清纯

顶级美女金晨现身首都机场,身穿短裙大秀美腿,魔鬼身材太辣了!

金晨的腿,是娱乐圈中屈指可数的一绝.

随机推荐

陈伟霆侵删

景甜

鞠婧祎没有qq7575已经有粉丝被骗

00后女星谁成为了炙手可热的当红炸子鸡呢

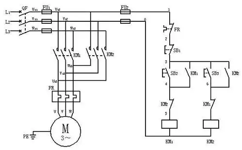
三相主回电路接触器正反转的问题

5月9日下午,韩国女艺人柳真在首尔三星洞出席了代言品牌的宣传活动.

复古格纹呢子大衣女秋冬款学院风减龄宽松休闲加棉中长款毛呢外套

从"央视宠儿"到"无人问津",乌兰图雅经历了什么?