农村无烟柴火灶设计图纸4款农村柴火灶台设计图欣赏

相关图片

这个无烟柴火炉._家装_家居_家居用品_家居家装_家居用品

一种无烟燃烧的正烧炊事采暖炉的制作方法

户外用品 亚马逊热卖便携式不锈钢折叠柴火炉 野外野餐露营柴火灶

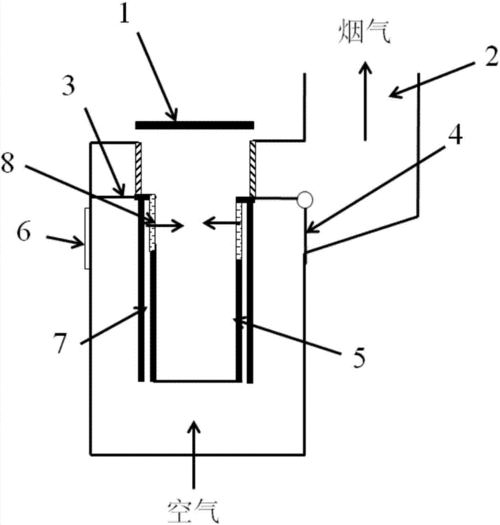
2,通风道的设计通风道是指炉篦以下的空间.

一种节能环保燃柴炉制造技术

随机推荐

高圆圆 2023年05月04日 精美图集_气质_黑色_黑衣

赵丽颖的最新出妆图曝光穿一身棕衣太飒了扎高马尾嫩得像18岁

彭于晏晒戛纳众明星大合影,佟丽娅很豪放,古天乐脸僵,林峰老了

冬之雪 手机主题网页ui素材免费下载(图片编号:8384797)-六图网

手机qq登录界面

【优护优家】免洗洗手液杀菌消毒300ml

8 ☆☆☆= =于2018-03-18 :48:27留言☆☆☆ 〖容光《少女星》

克拉滕伯格两张红牌让中超本土裁判双标判罚情何以堪