电饭煲的电路图大全

相关图片

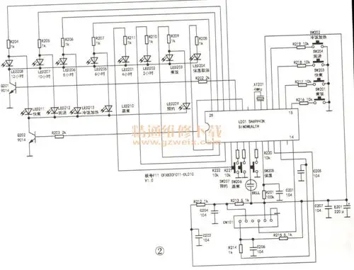
[导读]27幅电饭煲系列电路图,仅供参考学习!

苏泊尔智能电饭煲主板的接线图

定时式自动电饭锅电路图

电饭锅用煮粥模式煮过久后 家里漏电开关跳了 电路

电饭锅电路图纸15美的

随机推荐

继续坚持图片_继续坚持动态图_继续坚持表情包gif动图下载_soogif

星热点:迪丽热巴小时候的照片无从挑剔美如花

超高清的王者荣耀壁纸!

谭松韵这萌妹的脸没想全包眼线也这么美真就是可盐可甜啊

这一次,娱乐圈的关系户,不再被世界宽容|杨紫|闫妮|演员|宁丹琳|老戏

潜水女孩 #自由潜 #潜水 #水下摄影 #这一秒只想在海里 - 抖音

此次拍摄新歌mv,高秋梓特别学习全新编舞,轻松元气的舞步少女感十足

苏格拉底画像樊大牛