泪沟填充用什么好 怎么改善去除

相关图片

玻尿酸填充泪沟术后即刻

双侧泪沟,单侧颧沟,脂肪胶填充术后1天 #徐志强医生案例##自体脂肪

来看看#泪沟填充# 前,术后4天,术后30天是怎么样的吧!

打泪沟的第一天

填充泪沟第10天这是不是失败了

随机推荐

"如今看来,这个场景真的是一个巨大的"社死"瞬间,植发确实让人变得

药房作为医院的窗口形象,在院长的正确领导下,携全体工作人员积极

平板m6梦幻动漫二次元美女壁纸

动漫男生头像—治愈系 持续关注,有更新哦(原图私)

男生烫发种类都有哪几种 男士发型的烫发种类,首先按卷度分:可分为

关于《终极笔记》 我想说…… - 知乎

突发湖北武汉发生砍人事件3人死亡

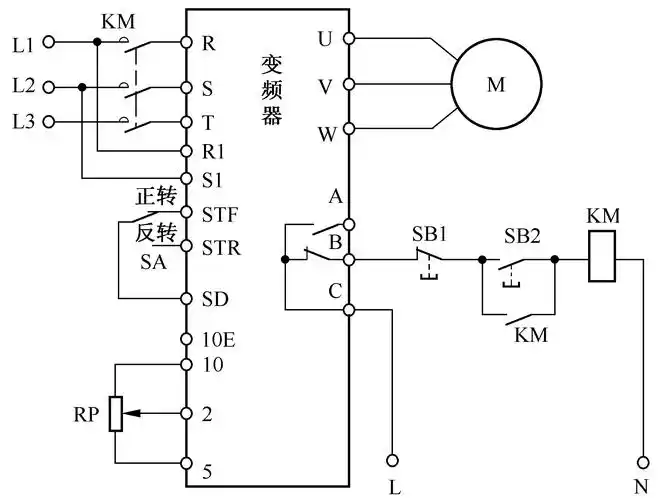
变频器典型控制电路及参数设置新手必须掌握