李现复古帅气写真图片桌面壁纸

相关图片

李现阳光帅气写真图片电脑壁纸

李现帅气最新壁纸_亲爱的热爱的韩商言

李现 壁纸

李现牛仔衬衫个性帅酷写真

李现斯文帅气写真桌面壁纸

随机推荐

20岁的金城武,那些青涩又帅气的照片

张卫健为什么不生儿育女(张卫健年轻时巅峰时期)(6)

关晓彤跨年蜜桃妆##关晓彤穿了光腿神器

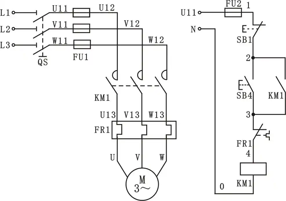
实训三 三相异步电动机自锁控制电路

孙燕姿 - 我很愉快.mp4_snapshot_01.50_[2019.02.19_23.07.17].jpg

南山村(山东省烟台市龙口市东江镇辖村)_石塘网

吴京儿子叫"吴所谓",关凌儿子"姬关枪",赵丽颖儿子名字更绝

尤长靖 落日沙滩,海风拂面,夏日限定衬衫男孩!_高清图集_新浪网