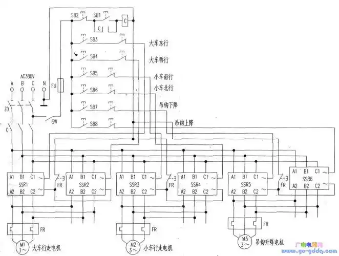
葫芦吊接线

相关图片

380v电动葫芦怎么接线?(图片)

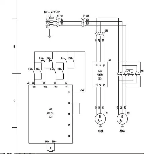
电工实训项目教程09-2三相异步电动机的正反转控制线路ppt

小吊机手柄开关按钮无线遥控器微型电动葫芦220v提升机

如果没有小车下面km3,km4接触器不要接线.

小吊机开关4线接线图,小吊机升降开关接线图,小型起吊机开关接线图

随机推荐

动漫壁纸|治愈系二次元 5451 5904555951 6750

唐三x小舞——斗罗大陆|斗罗大陆|唐三|小舞

蔡徐坤西装墨镜照上热搜,网友:妥妥的霸道总裁既视感

贺峻霖元气爱豆

刘雯登t锦绣封面,透视装演绎泳池湿发大片,性感撩人

克拉拉绝美时刻168黄金比例身材犹如性感花瓶

鞠婧祎机场饭拍一身白色穿搭白色的帽子

百合花折纸图解与方法教程