电气安装图集(1od3o3一3)p176一178排污泵系统图

相关图片

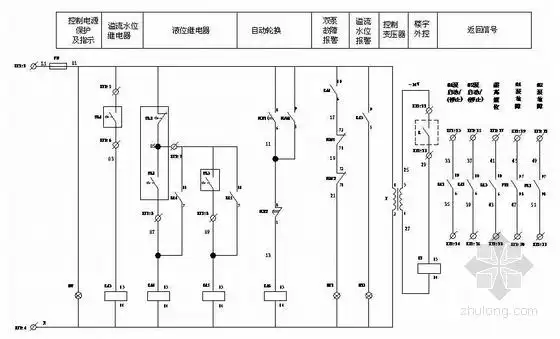
排污泵控制柜原理图

排污泵控制箱原理图

潜水式自动排污泵,家用

某医院排污泵控制柜电气原理图

一种排污泵带隔油提升装置的控制电路制造方法及图纸

随机推荐

44岁周杰伦巡回演唱会后暴瘦!面容憔悴认不出,为了宠粉将发新歌

我还是钟意你杨幂小姐抖音号:wujinyan0876 拿图顺带关注

杨柳女歌手个人资料 王俊凯经纪人杨柳图片 - 歌词译

我有屁我不放,憋着,哎,就是玩儿,就是玩,汤圆酱

马甲线图片,什么是马甲线图片?图2

整备升级费用远超车身价 标致206改装案例

heaven gaia(盖娅传说)的设计师熊英,以中国风为主制作出美轮美奂且霁

世嘉开年礼如龙zero桐生一马主题桌面日历