tf家族三代top朱志鑫817湖南新潮好物夜晚会彩排上班图95

相关图片

朱志鑫

朱志鑫 210221 简介.

朱志鑫[超话]#78#朱志鑫重庆市中小学生艺术展演活动舞台#20211288

起亓_通过花瓣iphone客户端采集于2021-09-08 11:18:31朱志鑫1喜欢

tf三代领头人朱志鑫三代唯一门面(盖楼净化贴)

随机推荐

手机壁纸|高清女神背影壁纸,美丽而神秘

盘点丨全世界最著名的十幅肖像画

《庆余年2》临开播,八大美女,绝代风华!观众可不要挑花了眼

宽阔唯美青青草原绿色护眼桌面壁纸图片下载

开一个长期更新的壁纸贴吧,竖屏横屏都有

魔光的摄影作品##重庆约拍##汉服写真##汉服婚服##中式婚纱照##弥制

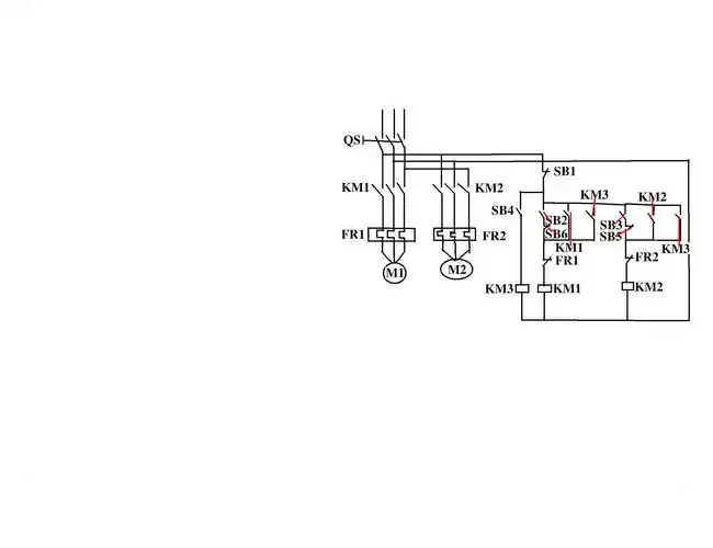
求:电工电路图

的"红毒蛇"佩德罗·帕斯卡登上美国著名夜间访谈节目吉米·肥伦秀,与