应用案例 | 变频器在螺杆空压机上的应用方案_压力

相关图片

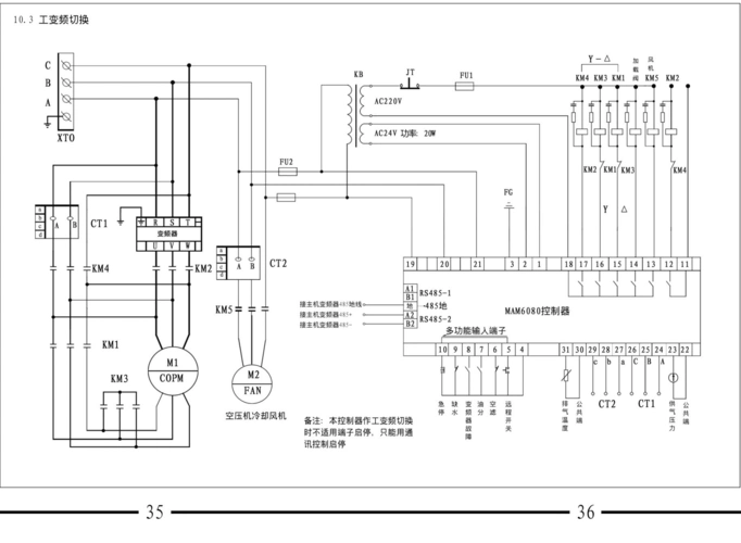
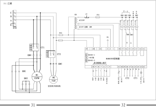
华达永磁变频螺杆式空压机【操作说明书】第6,7章,电气接线图

螺杆压缩机润滑油消耗大但找不到原因有这十几种可能

开山27-22空压机,二手螺杆空压 - 抖音

华达永磁变频螺杆式空压机操作说明书电气接线图

求一个比泽尔螺杆压缩机双线圈电机的接线图!

随机推荐

金晨着纯白色礼裙大秀美背曲线曼妙温柔动人

书法时间到 #笔记灵感 #野生字体 #欢迎投稿 #今日文案 #蔡徐

原创刘亦菲吃路边摊太接地气穿搭朴素难掩脱俗气质简简单单却穿出高级

第八届国际年度风景摄影师大赛获奖作品

现代简约风格

【night wish dota2解说】wesg欧洲区比赛_哔哩哔哩

徐静蕾公司有以下几位艺人:朱致灵,向涵之,李庚希.

出门遛狗忘记带狗,气得柴柴叼玩具枪算账:再有下次,有你好看