简笔画全家福"三口之家",幸福又美满!-第21张图片

相关图片

手绘头像一家三口

三口之家头像 #一家三口头像 #三口之家 #一家三口 #头 - 抖音

亲子头像|三口之家,戴眼镜专属头像

亲子头像|三口之家,戴眼镜专属头像

亲子头像|三口之家女宝亲子头像

随机推荐

求你了"星爷",千万不要毁掉《喜剧之王》这部经典中的经典_梦想_尹天

赵丽颖王一博王炸姐弟野蛮生长有望二搭制作班底实力雄厚

美丽优雅的布偶猫高清桌面壁纸

这就是街舞 近距离看王一博跳舞啦 就是这么帅气街舞舞蹈

男生浅色牛仔裤如何搭配上衣?

政治:(国内)袁世凯复辟帝制,实行专权 选举总统那天,袁世凯雇用了

武士头发型_武士头发型 女_武士头发型适合什么脸型 - 抖音

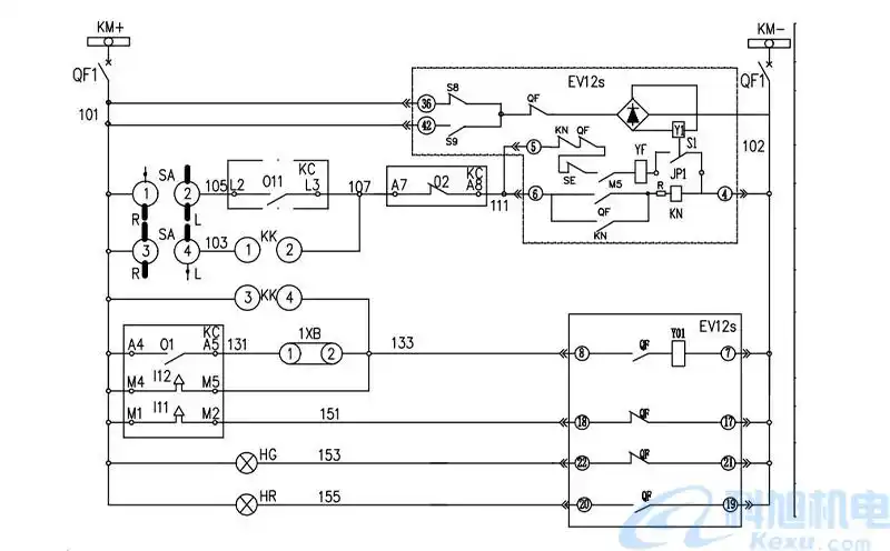
施耐德真空断路器结构单元与控制接线图