三相电路中空压机没有启动按钮的电路要怎样装电机综合保护器呢(a1 a2

相关图片

优耐特斯压缩机高压电气原理图

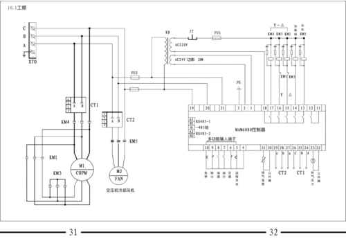
空压机电路图

图3 空压机变频电气控制图如图3,空压机电机的电路上安装了"市电","

螺杆式空气压缩机二次线路图 - 电路图分享_电工学习网

cn202140294u_空调室外压缩机的控制电路及空调器失效

随机推荐

婆婆最喜欢的2款盘发,时尚显年轻,气质优雅

陈乔恩过年胖了快5公斤,明星身材管理引热议,美的标准不在体重

爱与哀愁简谱

超呆萌的小猫,高清图片,电脑桌面-壁纸族

甄子丹在天台拥抱景甜

壁纸# #周深壁纸# #卡布叻_周深# #周深唱歌# #周深清唱# #周深

睿姿曼运动服套装女速干衣瑜伽服女套装款宽松健身服跑步套装女更优惠

万圣节带着帽子的可爱南瓜小人涂色图片打印 | 红豆饭小学生简笔画大