笔记本电脑供电电路故障的诊断方法

相关图片

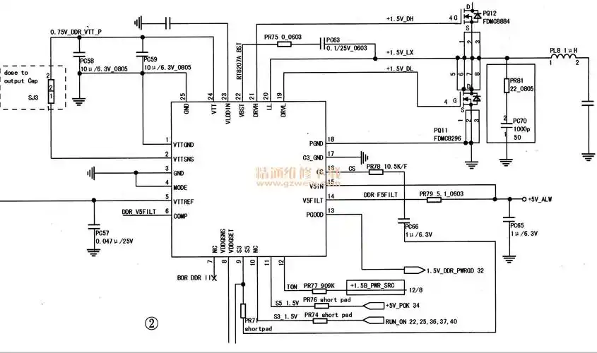
电阻器损坏导致笔记本电脑不能正常开机启动

苹果q41a笔记本电脑图纸.pdf

笔记本电脑开机及信号电路故障维修

dell dv14型笔记本,进水后不开机

ausu 低功h笔记本 vin电路

随机推荐

刘亦菲有颜值就是这么任性!

接演了《解放:终局营救》《神探蒲松龄》《八月未央》等影视剧,她的

凌宇混凝土搅拌车配件专卖/卡车配件经销商

快手歌手白小白的个人资料 最美情侣歌手白小白家庭背景快手号-【黑酷

uhu胶水德国毫升强力透明模型胶木木工塑料纸胶带

穿搭140斤的男生可以这样穿看起来会显瘦十斤

头像分享 #优质情头 #小红书自带滤镜

《三眼哮天录》套图2张 杨戬&蓝缡 画师:狸猫 来源微博