汽车用品 反光车贴纸明星肖战名字签名车贴玻璃贴纸可改其他明星

相关图片

肖战 #宝藏男孩 @抖音小助手 @yx.馨 亲笔签名啊啊啊 - 抖音

肖战签名怎么写呀!

肖战亲笔签名海报亲签保真活动现场应援周边产品正品收藏无印刷

你留名我设计怎么简单怎么漂亮就怎么写肖战你的名字写好了请惠存

肖战签名照上新 要的下方留言呀

随机推荐

roadtrip一路向南

王源欧阳娜娜

谢谢光顾,@tfboys-易烊千玺 下次再来一局

女头/部位女头/部位头像/部位图/高清女头/仙女必备头像/玩网女头

#绘画参考#

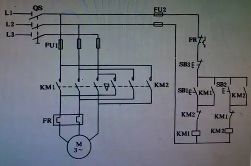
三相异步电动机正反转控制电路图

入秋女生烫发 微卷发瞬间提升气质

曾日赚208万,今却无力执行罚款,郑爽的热搜是愚人节最大的笑话_胡彦斌