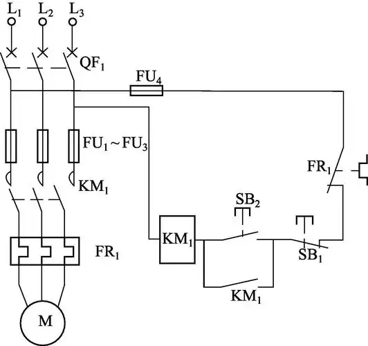
这个接线图不懂原理,不嫌麻烦的说明一下.为什么n要接热继电器?

相关图片

电工小知识,中间继电器的工作原理及实物接线方法介绍

继电器开关接线图画法

二,ds-21c时间继电器接线图

用一个点触按钮加二个继电器接入电路,如何能实现按一下按钮,电灯亮

小继电器控制大继电器的电路图

随机推荐

伤感霸气文字图

谁是dior女神 angelababy&倪妮迪奥秀场大对决

华为荣耀高清内置壁纸下载华为壁纸内置壁纸官方壁纸自带壁纸

小提琴右手练习|技巧重点!6种训练动作

唐三和小舞的爱情羡慕吗?

黔北冷菜冷艺俱乐部 宣传部

电脑壁纸 体育 篮球 nba卫冕冠军金州勇士队

这些电脑ipad壁纸也太可爱了