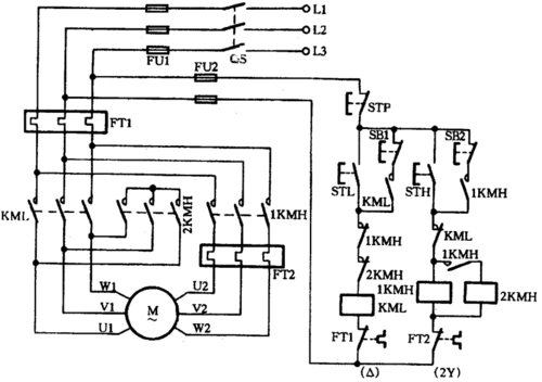
印刷设备电磁调速异步电动机滑差电机

相关图片

精研spc系列面板式调速器 spc60e spc90e spc120e spc200e

滑差电动机电磁调速电动机控制器

可控硅晶闸管的应用滑差电机

twt东炜庭120w调速齿轮交流电机5ik120rgn-cf配减速箱齿轴马达

电磁调速-滑差电机说明

随机推荐

汽车扶手加高加长增高增长车载车上车用防瞌扶手箱保护套

2024减龄洋气锁骨发推荐

潮- 堆糖,美图壁纸兴趣社区

戚薇

超市游乐园卡通3d墙体彩绘|插画|商业插画|堇墨墙绘_原创作品-站酷

秋天爆火的"中发中层次发",可扎可放……_发型_齐刘海_造型

《如果可以这样爱》:在霸道总裁和艺术家之间选择,这个命题很难

冰雪奇缘中冰霜女王的图片