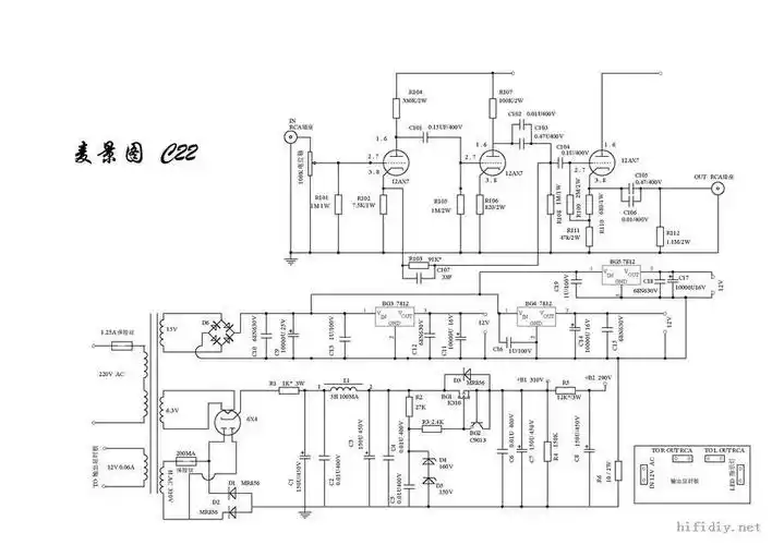
大家有兴趣来一起研究一下麦景图c22的电路吗?

相关图片

mcintosh麦景图ma230胆功放电路图

见麦景图 mc275 很合适,也有电路图.但有很多问题没搞清

麦景图mc3500前级放大电路工作原理

谁能给我一张用话筒控制电路的电路图 意思就是用一个手机电池当电源

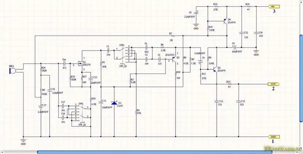
macsotmr700型无线话筒电路

随机推荐

动漫头像:火影忍者小雏田头像_腾讯新闻

赵丽颖的反击戳穿冯绍峰的尴尬处境这回乐嘉的话有人信了

贝壳儿童画怎么画 贝壳简笔画顺序

烫三七分头发需要多长时间三七分纹理烫需要多久时间

这是最适合4岁到50岁女性的发型:日式短卷发,洋气,减龄又气质_的设计

倚窗听雨

周正毅都出来拍短视频了!程雷和陈蓉就不能复出吗_名人_观众_形象

【赤度装饰餐厅案例】江门宴遇音乐餐厅设计案例