古天乐的肤色依然偏黑,他身穿皮衣并搭配白色衬衫,整体给人一种非常有

相关图片

古天乐的肤色依然偏黑,他身穿皮衣并搭配白色衬衫,整体给人一种非常有

第一次见古天乐玩美颜自拍,他其实没那么黑_肤色_口碑_写真

古天乐年轻对比照,不仅肤色有变化,连眉毛也有自己的想法了

古天乐曾迷失找高人指点七天时间在泰国晒出黝黑皮肤催星运

古天乐年轻时的几张照片展示出他有着稍微黝黑的肤色,然而,他的发型

随机推荐

张雪迎身穿chloe 2019秋冬系列出席chloe2020早春成衣大秀.

手抄本佛经——南无慈悲法笺经(上中下)三卷——经折装,展开22.2米长

要想穿衣服好看,男生需要练好哪几块肌肉?

陶昕然大婚舌吻秀幸福

同船共枕游玩双龙洞千百年的修行

40句对偶诗句:意境绝美,看一眼就沦陷

李宁迪士尼联名草莓熊女子女子小白鞋经典休闲鞋agcr4721运动休闲鞋

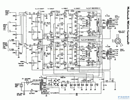
见麦景图 mc275 很合适,也有电路图.但有很多问题没搞清