柯震东的百变造型,青春帅酷还阳光,超级帅气!

相关图片

柯震东个性写真

柯震东

回顾柯震东阳光写真图片

柯震东以伯爵altiplano金质鍊带腕表入镜.

柯震东

随机推荐

2018-水彩入门-临摹初学水彩画的临摹图片

王俊凯头像卡通女生专用

张国荣,1956年9月12日出生于香港九龙,中国香港歌手,演员,音乐人.

把这哥们儿吓坏了,邪恶的男人#雷人恶搞##动态图

宝妈晒产后满是妊娠纹的肚子网友好吓人大多数都不是这样的

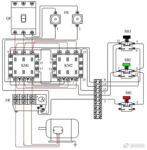
接触器实物接线图-380v220v交流接触器接线图

周冬雨能接受的宅家天数上限是?_cosmohits

羊毛卷法式卷泡面卷长发发型