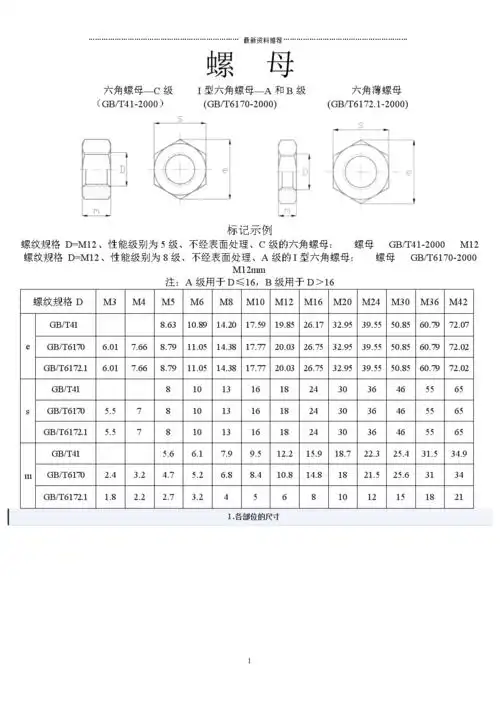
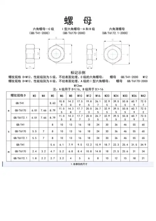
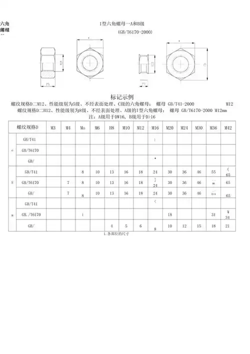
a1高温用双头螺栓,螺母制造技术条件说明书

相关图片

螺栓螺母尺寸参照.#螺栓#螺母#螺丝钉#标件#五金 - 抖音

内六角螺栓和螺母尺寸表

公英制螺栓及螺母六角尺寸

内六角螺栓及螺母尺寸表精编版.doc 8页

公制粗牙螺纹的螺栓,螺母.doc

随机推荐

综艺_高清1080p在线观看平台_腾讯视频

马冬什么! 夏洛特烦恼 沈腾 马丽

王思聪_林俊杰_女友

谁能把热过载保护器接线图发一个给我,谢了!

福元 红霉素软膏 1%*10g2771

深圳卫视拥抱星星的月亮小鲜肉传奇青春

中国内地女歌手.演员,龙梅子歌曲欣赏(1)

达喜铝碳酸镁咀嚼片20片慢性胃炎胃痛反酸烧心胃胀气打嗝胃药胃病与