我是特优声风袖选手官宣

相关图片

风袖-最受欢迎的著名动漫声优排行榜

如何评价音熊联盟配音演员风袖? - 知乎

新生代配音演员观察当特优声走向聚光灯

音熊联萌配音演员@音熊-风袖&@音熊-阿君嘉宾活动专属票详情上线!

排名第三的是《一起来看流星雨》组的风袖,同时他也是该组唯一晋级的

随机推荐

再快的ae86,也追不上奔驰上的夏树.(头文字d-一路向北混剪)

「肖战」语录|既已乘风归来,未来势必可期… - 堆糖,美图壁纸兴趣社区

拔毛癖的自救之路

原创古风计划 #夏日荷花 #q版人物 #超好看的图片 #送 - 抖音

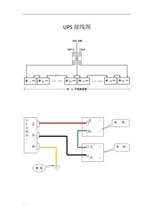
ups接线图与维修说明

遇见你之后2韩相爀的演技上升了n个层次全8集一次性发送

昌吉庭园房地产开发有限公司 好样的."新疆昌吉庭园地产开发商 - 抖音

刘海怎么打薄