圆圆的红苹果步骤图.#绘画过程分享 #红苹果 #绘画过程分享 - 抖音

相关图片

苹果创意画.#简笔画 #苹果简笔画 #一学就会系列 #绘画 - 抖音

国画苹果绘画步骤怎么画?快@你爱的人来看国画苹果吧,余生平平 - 抖音

彩铅入门 苹果画法.#彩铅 @抖音小助手 #绘画 - 抖音

学画画系列——怎样画苹果

苹果简笔画

随机推荐

网上找到的几张可爱动漫头像(超可爱滴兔子)

马思纯身高体重个人资料(马思纯身高多少)-星座梦城

邪恶小松鼠网红减压玩具挤压树桩捏捏乐橡胶玩具儿童娱乐玩具 粉蓝2个

《爱上你的日和月》霸总剧超甜来袭,你想和那个霸总过五月

侧面小女孩简笔画2

cv天空天空在配音圈真的有很多很多迷弟不愧是中抓圈的男神

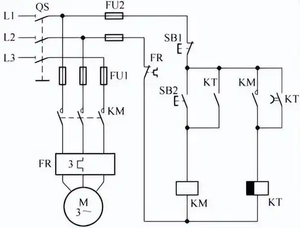
电工常用电动机控制电路(四)

个性动漫男生头像霸气高冷帅气动漫男头高清微信图片大全